Winder-G ® frp membrane housing pressure vessels
Vedio: How to check wall thickness of frp membrane housings G40E300?
Similar with old Rohone series
4" End Entry Design
Available in 300 psi pressure rating only!
Burst test with 4 times of its operating pressure (wall thickness 3.25mm, thinner than Winder ®for saving cost)
Accommodates 1-2 standard Membrane Element
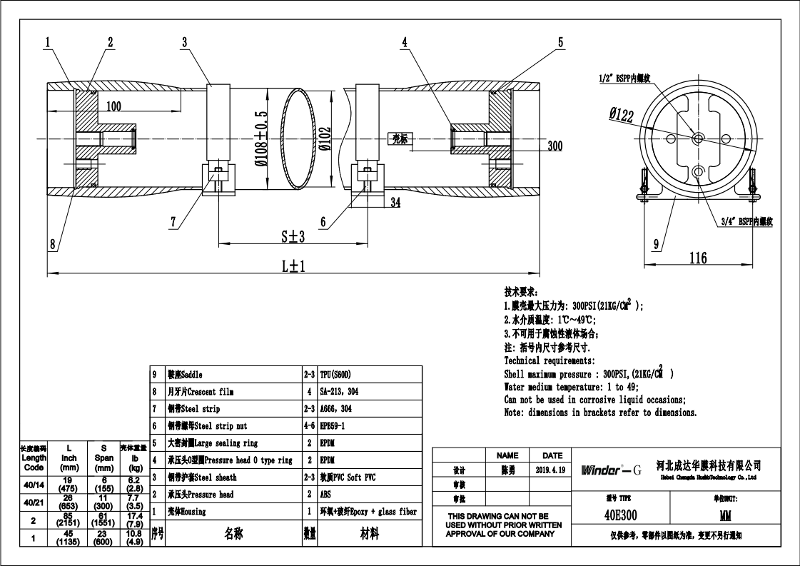
Element length: 40" x (1-2)
Applicable to: DOW, HYDRANAUTICS, OSMONICS, KOCH, TORAY, CSM, VONTRON, BDX, etc.
Standard: ASME, CE, ISO9001, ISO14001
Catalog:
2020 catalog Winder G-economy series FRP membrane housing-HBCDHM.pdf
Drawing:
220913 Drawing of 40E300-Winder-G FRP RO membrane housings -Chengda water.pdf
Winder-G ® frp membrane housing pressure vessels
Drawing for G40E300: production of the frp membrane housings is strictly manufactured according to drawings:

Similar with old Winder-G series

4" End Entry Design
Available in 300 psi pressure rating only!
Accommodates 1-2 standard Membrane Element
Element length: 40" x (1-2)
Applicable to: DOW, HYDRANAUTICS, OSMONICS, KOCH, TORAY, CSM, VONTRON, BDX, etc.
Standard: ASME, CE, ISO9001, ISO14001
Key Features:
Operating Temp Range: -10°C ---49°C
Internal permeate port not to exceed 125PSI(0.88MPa)
Operating pH Range: 3 - 11
Cleaning pH Range: 2 - 12 (less than 30 minutes)
Mirror inner wall and brightly surface.
Multi-ports option
White color is as standard. Customized colors are also available.
Quality Assurance
Hydro-static Leakage Test Pressure:
Standard:
100% test, not sampling
100,000 times cyclic fatigue test
Burst test with 4 times of its operating pressure (wall thickness thinner than Winder ®for saving cost)
100% QA test with 1.1x design hydraulic pressure.
ASME: 1.1x Design Pressure
100% QA inspection and cleaning before final
packaging and delivery to customers.
Submitted for NSF standard 61
Applications:
Winder-G ®FRP membrane housing pressure vessels are widely used for low pressure 300Psi ro systems in industrial waste water treatment, seawater desalination, brackish water desalination, RO system for electronics, electric power, food & beverage, metallurgy, chemical, pharmaceutical and other fields.
Notice:
Please operate in accordance with User Guide!
All information is subject to change without prior notice. Please contact us for the latest product information and specifications.